MICROSTAR WT50
【ガントリーローダー搭載】2スピンドル精密ターニングセンタ
旋盤とマシニング加工の”工程集約”に最適な2軸ターニングセンタが登場!!
- 小型旋盤のノウハウを生かして従来機比30%の省スペース化と従来機比25%の軽量化より限られたフロアスペースや上階など機械設置の可能性が広がりました。
- 最高回転数10,000min-1の回転工具を標準搭載しています。またY軸搭載で多軸回転工具ユニットやダブルバイトホルダーなど豊富なツールを用意しています。
- 主軸にはビルトインモーターを採用
- 主軸台内部にモーターを内蔵しスピンドルをダイレクトに駆動することでベルト駆動方式と比較して高精度で高速回転での切削が可能です。冷却装置も完備しており発熱対策も万全です。
- 独自の熱変異補正装置を標準搭載し、コールドスタート時の変位5μm以下を実現します。
- FANUC製の最新型NC装置を採用。10.4インチディスプレイにより視認性が向上しています。
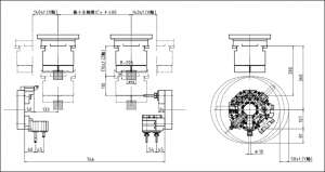
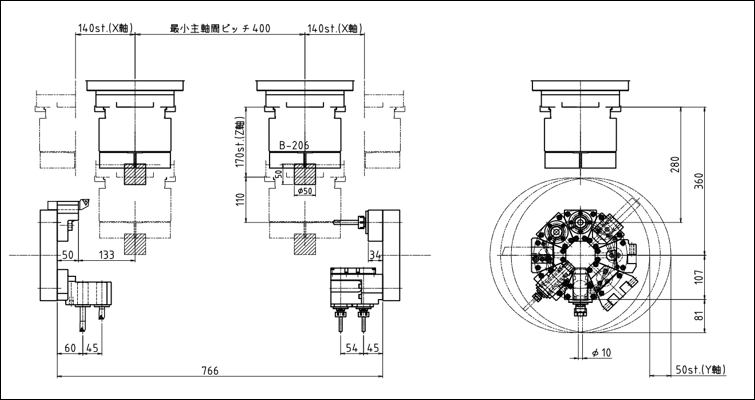
機械仕様
| 項目 |
性能 |
単位 |
| チャックサイズ |
6 |
inch |
| 刃物台形式 |
8stタレット×2(回転工具付き) |
|
| 最大加工径 |
φ100 |
mm |
| 移動量 |
X:140 Z:170 Y:50 |
mm |
| 早送り速度 |
X:15 Z:15 Y:12 |
m/min |
| 主軸 最高回転数 |
6,000 |
min-1 |
| 主軸 モーター出力 |
5.5/2.2 (ビルトイン) |
kW |
| 回転工具 最高回転数 |
外径 10,000(OP15,000)/端面 5,000 (OP12,000) |
min-1 |
| 回転工具 モーター出力 |
2.2/1.5 (ビルトイン) |
kW |
| 間口×奥行 |
1,540 x 1,650 |
mm |
| 重量 |
3,600 |
kg |
製品PDFダウンロード
平行2軸旋盤